| CGQY型應變式轉矩轉速傳感器 | ||||||||||||||||||||||||||||||||||||||||||||||||||||||||||||||||||||||||||||||||||||||||||||||||||||||||||||||||||||||||||||||||||||||||||||||||||||||||||||||||||||||||||||||||||||||||||||||||||||||||||||||||||||||||||||||||||||||||||||||||||
| 來源:本站 點擊數:8465次 更新時間:2025/8/28 12:59:42 | ||||||||||||||||||||||||||||||||||||||||||||||||||||||||||||||||||||||||||||||||||||||||||||||||||||||||||||||||||||||||||||||||||||||||||||||||||||||||||||||||||||||||||||||||||||||||||||||||||||||||||||||||||||||||||||||||||||||||||||||||||
CGQY 轉矩轉速傳感器←點擊咨詢購買
常見的扭矩傳感器按使用場合有靜態扭矩傳感器和動態扭矩傳感器。靜態扭矩傳感器由于連接信號線與傳感器檢測主軸相連,如果檢測主軸旋轉則信號線也要旋轉,容易纏繞,故不宜檢測旋轉類的物品,僅用于檢測靜態扭矩。動態扭矩傳感器通過一些方式,信號線與檢測主軸分開,檢測主軸可靜止也可任意旋轉。我公司主要生產動態扭矩傳感器。 我公司動態扭矩傳感器按檢測原理又可分為應變式轉矩轉速傳感器和相位差式轉矩轉速傳感器
兩傳感器各有特點:磁電式傳感器厚重結實耐用,抗沖擊載荷強。應變式傳感器精巧精致,抗干擾能力強。歡迎下載相關資料:http://htjd.com.cn/Down_list.asp選用相應傳感器。您也可致電我公司,我們將根據您的使用工況和參數協助您選型。我公司技術熱線:0513-88915838。
轉矩轉速傳感器俗稱扭矩傳感器,以檢測扭矩(轉矩)為常用功能。
轉矩測量原理:
傳感器扭矩數值的測量采用應變電測原理,當應變軸受扭力影響產生微小變形后,粘貼在應變軸上的應變計阻值發生相應變化,我們將具有相同應變特性的應變計組成測量電橋,應變電阻的變化即可轉變為電壓信號的變化進行測量。
下面為扭矩測量的主要原理框圖,由于采用了能源與信號的無接觸耦合,完美解決了旋轉狀態下扭矩(轉矩)數值的測量。
電源經過處理后送1 ,經耦合將能源送到應變軸上,由 2 變成穩定電壓供給應變軸上各電子器件。 3 將應變軸的微小變形轉換成電信號,經過 4 放大送到 5 ,經 6 輸出,通過 7 整形后輸出調頻方波信號。 轉速測量原理:
在應變軸上加配測速碼盤。當應變軸旋轉時,光電開關檢測測速碼盤旋轉變化,輸出具有一定周期寬度的脈沖信號,根據碼盤的齒數和輸出信號的頻率,即可計算出相應的轉速。
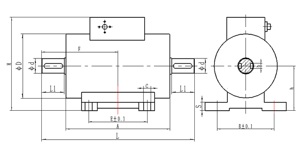
1、5-500Nm傳感器外形圖
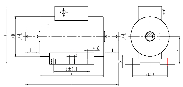
2、1000-300000Nm傳感器外形圖
1、測量精度高 應變軸采用具有優良彈性,滯后效應小的高級合金材料制成,同時采用應變電測原理和數字顯示的測量方法,所以靈敏度高,測量速度快、穩定、可靠、精度高,同時抗干擾能力強。 2、傳感器、儀表互換性強 同一CGQY型轉矩轉速傳感器可與不同的TR-4轉矩轉速功率測量儀互換使用 同一TR-4轉矩轉速功率測量儀可與不同的CGQY型轉矩轉速傳感器互換使用 3、尺寸緊湊 由于采用應變電測原理,簡化了應變軸數據采集系統。傳感器自身尺寸大為減小。安裝更方便、使用成本更低 4、信號采集分析方便 傳感器輸出信號為標準5-15KHz,便于采集。測量儀表通用性強。 5、可與計算機通訊 與轉矩轉速功率測量儀配套使用,可與計算機通訊,具有自動測試、自動生成測量參數表、特性曲線圖、打印、存儲功能
傳感器引腳定義
傳感器連接與使用 1. 確保儀表電源關斷。 2. 連接測試電纜線。 3. 打開儀表電源開關即可工作(進入測量狀態)。 為了避免觸電,應使用三芯電源線與三線式電源插座聯接進行供電,三線式電源插座的中心地線必須可靠接地。 聯機的測試電纜線應妥善固定好,防止旋轉系統將其絞斷。 測試電纜線的航空插頭處的屏蔽線接點不應隨意拆除。 測試電纜線的航空插頭與傳感器及儀表的航空插座應擰緊可靠。 在強干擾環境下,如因供電污染、空間電磁輻射等因素的影響,造成傳感器不能正常工作,可考慮以下措施: 確保系統良好接地(包括傳感器、儀表、其它設備),并嘗試在不同接地點進行實驗。 對可能互相干擾的信號傳輸線進行分開傳送,有條件時,可外加金屬屏蔽管(網),實現隔離、屏蔽。
將傳感器轉矩信號及轉速信號與地線間連接電容。
注意事項: 1、工作臺須可靠接地 2、傳感器必須安裝牢靠,以防工作時震動。 3、傳感器在使用時應避免磁場干擾。 4、測量系統安裝同心度應不大于+0.05mm,否則儀器的測量精度不易保證。 5、傳感器主軸只能承受扭力,不能承受徑向力和軸向力。傳感器不能長時間過載使用,同時應避免過大的沖擊載荷,否則可能造成彈性軸永久變形,無法回到測量零點。 6、測功機應選用柔性聯軸器。 7、安裝底臺面應有一定強度,以保證安裝的穩定性,避免造成過大的震動,否則可能造成測量數據不穩定,影響測量精度。
維護要求: 1、傳感器裝配出廠前經過精心調試與補償,切不可隨便拆裝,以免失去精度。 2、傳感器嚴禁敲打、碰撞、沖擊、拖曳; 3、聯軸節使用橡膠錘安裝,嚴禁使用鐵錘。 3、傳感器經使用一段時間后,如需進行檢定、維護,請返回本廠重新進行標定。 4、傳感器應避免在劇烈震動和高溫潮濕環境中使用和保管。 5、傳感器的包裝運輸應根據《精密儀器包裝運輸辦法》施行。
傳感器與測量儀接線: 設備前后板設有 8 個接線端子,各端子功能、接線要求及信號輸出規格如下表所示:
1、檢測動力機械
2、檢測傳動機械
“CGQY-型 轉矩轉速傳感器”是一種可以動態、靜態檢測動力機械、傳動機械轉矩、轉速、功率的精密儀器。 “CGQY-型轉矩轉速傳感器”與“TR-4型轉矩轉速功率測量儀”、 “CZ型磁粉加載器”或者“WZ型渦流加載器”、“WLK型加載控制器”配合使用,組成CC-ZF(W)型測功機。 “CGQY-型 轉矩轉速傳感器”以及“CC-ZF(W) 型測功機”廣泛應用于電機、內燃機、液(氣)壓馬達、曳引機、石油鉆具鉆機、減變速機、電動閥門執行器、離合器、制動器、鐵路機車、汽車、拖拉機、飛機、船舶、礦山機械、煤礦山體固定錨桿、失電保護器、汽車渦流減速器、吊車減速器、剎車、發電機、水泵、風扇、攪拌機、汽車傳動球頭與球頭座、船舶尾軸與尾軸套、滾珠絲杠與螺母、變頻器、直流電機控制器、油泵油嘴、液壓閥等領域。 “CGQY-型轉矩轉速傳感器”以及“CC-ZF(W) 型測功機”還廣泛應用于各級技術監督部門、產品質量檢測所對產品質量的檢測;廣泛應用于科研院所、大專院校的科研開發。
| ||||||||||||||||||||||||||||||||||||||||||||||||||||||||||||||||||||||||||||||||||||||||||||||||||||||||||||||||||||||||||||||||||||||||||||||||||||||||||||||||||||||||||||||||||||||||||||||||||||||||||||||||||||||||||||||||||||||||||||||||||
| 【刷新頁面】【加入收藏】【打印此文】 【關閉窗口】 | ||||||||||||||||||||||||||||||||||||||||||||||||||||||||||||||||||||||||||||||||||||||||||||||||||||||||||||||||||||||||||||||||||||||||||||||||||||||||||||||||||||||||||||||||||||||||||||||||||||||||||||||||||||||||||||||||||||||||||||||||||
| 上一篇:電機測功機 下一篇:ZC磁滯制動器 |
電話:0513-88915838
0513-88921838
傳真:0513-88919965
電子郵箱:htjd@htjd.com.cn
公司地址:江蘇省海安市立發大道169號1棟









